Заказ товара на сумму до 10000 рублей — доставка 200 рублей
Заказ товара на сумму от 10000 рублей — доставка бесплатно
Срочная доставка - от 900 рублей ₽
Гарантийный срок на оборудование составляет от 1 до 10 лет, все зависит от условий производителя. Гарантийные обязательства не распространяются на кабельную продукцию, расходные и монтажные материалы.
Гарантийный срок указывается в паспортах и начинает отсчитываться со дня продажи оборудования Покупателю ( подписанная ТОРГ12).
Гарантийные обязательства не действуют при следующих случаях:
- при наличии в оборудовании механических повреждений;
- при использовании нелицензионного программного обеспечения;
- при предоставлении в ремонт, без паспорта продукции и заводской упаковки
- при наличии повреждения заводских пломб и ярлыков
- при повреждениях, вызванных умышленными или ошибочными действиями потребителя.
- Неисправное оборудования Покупатель обязан доставить до склада Продавца.
- При передачи оборудования в ремонт, Покупатель прикладывает сопроводительные документы:
- Копию товарной накладной
- Акт рекламации
- Паспорт завода изготовителя
Отремонтированное оборудование выдается с актом о выполнении гарантийного ремонта от завода производителя или сервисного центра.
Срок ремонта
Сроки гарантийного ремонта оборудования, определяются Производителями (Импортерами) оборудования. При том сроки ремонта не включают в себя время доставки оборудования до склада производителя и обратно. В среднем срок доставки с нашего склада до склада производителя или представительства, составляют 7-8 дней.
В случае , когда проведя экспертизу, Производитель выявляет гарантийные случай, товар подлежит замене.
Расходы связанные с доставкой оборудования до склада производителя, мы берем на себя!
Если, в результате проведенной экспертизы никаких неисправностей не выявлено, то, стоимость диагностики, ремонта и транспортные издержки, связанные с этим случаем оплачиваются Покупателем.
После оформления заказа с Вами свяжется по телефону один из менеджеров. При подтверждении наличия товара на складе Вы можете забрать товар в любое удобное для Вас время с нашего склада с 9 до 18 часов. по адресу г. Екатеринбург, ул. Гагарина 30а, оф. 119 (выходной суббота - воскресенье).
Просьба к ВАМ: делайте предварительный звонок в офис, сообщая номер заказа, за которым Вы к нам едете.
ДОСТАВКА
Мы можем доставить товар по Екатеринбургу.Заказ товара на сумму до 10000 рублей — доставка 200 рублей
Заказ товара на сумму от 10000 рублей — доставка бесплатно
Срочная доставка - от 900 рублей
СПОСОБЫ ОПЛАТЫ ТОВАРОВ И УСЛУГ
Безналичный расчет действует для Всех юридических лиц.Для юридических лиц оплата производится только по безналичному расчету путем перечисления денежных средств с расчетного счета покупателя на расчетный счет ООО «Пролайн Системы Безопасности».
Для этого Вам понадобится зарегистрироваться на сайте как юридическое лицо, либо переслать запрос и реквизиты одному из менеджеров.
Минимальная сумма заказа для выставления счёта составляет 100 рублей.
После оформления заказа с Вами свяжется наш сотрудник для уточнения полных реквизитов Вашей организации.
Счет на оплату товара Вы сможете получить по электронной почте, которую укажете в заказе.
Для физических лиц - оплата наличными при получении либо при самовывозе.
Важно!!!
В нашем интернет магазине систем безопасности цены указаны в рублях и валютные позиции автоматически пересчитываются по курсу ЦБ.
После оплаты счета с Вами свяжется наш сотрудник для уточнения даты отгрузки и адреса доставки. Если товара нет в наличии, то Вас сориентируют по срокам доставки.
При получении товара при себе необходимо иметь печать организации или доверенность (формы М-2) с главной печатью организации. Вместе с товаром Вы получите все необходимые документы (счет, Счет-фактуру в универсальной форме).
Описание

Характеристики
| Название | Значение |
| Параметр | Значение |
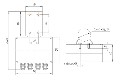
| Класс защиты | IP66 |
| Входное напряжение | ~220B (PSO220/20U) |
| Выходные напряжения | =9В (800мА); =12В (800мА); ~24В (800 мА) |
| Расположение монтажных болтов соответствует присоединительным отверстиям кронштейнов серии МВ29 | |
| Стандартный диаметр столба | 55-75 мм, возможен любой диаметр по заказу (цена зависит от диаметра) |
| Сертификат дилерства | Скачать |
Для покупки товара в нашем интернет-магазине выберите понравившийся товар и добавьте его в корзину. Далее перейдите в Корзину и нажмите на «Оформить заказ» или «Быстрый заказ».
Когда оформляете быстрый заказ, напишите ФИО, телефон и e-mail. Вам перезвонит менеджер и уточнит условия заказа. По результатам разговора вам придет подтверждение оформления товара на почту или через СМС. Теперь останется только ждать доставки и радоваться новой покупке.
Оформление заказа в стандартном режиме выглядит следующим образом. Заполняете полностью форму по последовательным этапам: адрес, способ доставки, оплаты, данные о себе. Советуем в комментарии к заказу написать информацию, которая поможет курьеру вас найти. Нажмите кнопку «Оформить заказ».
Способы оплаты товаров и услуг
Безналичный расчет действует для Всех юридических лиц.
Для юридических лиц оплата производится только по безналичному расчету путем перечисления денежных средств с расчетного счета покупателя на расчетный счет ООО «Пролайн Системы Безопасности».
Для этого Вам понадобится зарегистрироваться на сайте как юридическое лицо, либо переслать запрос и реквизиты одному из менеджеров.
Минимальная сумма заказа для выставления счёта составляет 100 рублей.
После оформления заказа с Вами свяжется наш сотрудник для уточнения полных реквизитов Вашей организации.
Счет на оплату товара Вы сможете получить по электронной почте, которую укажете в заказе.
Для физических лиц - оплата наличными при получении либо при самовывозе.
Важно!!!
В нашем интернет магазине систем безопасности цены указаны в рублях и валютные позиции автоматически пересчитываются по курсу ЦБ.
После оплаты счета с Вами свяжется наш сотрудник для уточнения даты отгрузки и адреса доставки. Если товара нет в наличии, то Вас сориентируют по срокам доставки.
При получении товара при себе необходимо иметь печать организации или доверенность (формы М-2) с главной печатью организации. Вместе с товаром Вы получите все необходимые документы (счет, Счет-фактуру в универсальной форме).
Доставка заказа
Приобретая технику или сопутствующие материалы в нашем интернет-магазине, Вы можете забрать товар самовывозом.
После оформления заказа с Вами свяжется по телефону один из менеджеров. При подтверждении наличия товара на складе Вы можете забрать товар в любое удобное для Вас время с нашего склада с 9 до 18 часов. по адресу г. Екатеринбург, ул. Гагарина 30а, оф. 119 (выходной суббота - воскресенье).
Просьба к ВАМ: делайте предварительный звонок в офис, сообщая номер заказа, за которым Вы к нам едете.
Доставка
Мы можем доставить товар по Екатеринбургу.
- Заказ товара на сумму до 10000 рублей — доставка 200 рублей
- Заказ товара на сумму от 10000 рублей — доставка бесплатно
- Срочная доставка - от 900 рублей
- ТК «КИТ»
- ТК «Байкал-Сервис»
- ТК «ПЭК»
- ТК «Деловые Линии»
- ТК «Экспресс - Авто»
- ТК"ЖелДорЭкспедиция"
- ТК «Карго»
- ТК «Энергия»
